Н Е К И Б Е Р Л Е О
а эти с синусоидой на выходе акб
Н Е К И Б Е Р Л Е О
SMT,SMX,SMC,SUM,SU,SUA
Н Е К И Б Е Р Л Е О
Н Е К И Б Е Р Л Е О
и такой да...
Н Е К И Б Е Р Л Е О
Н Е К И Б Е Р Л Е О
а такой нет..
Н Е К И Б Е Р Л Е О
romanetz
Я на прошлой работе с онлайн упсами сталкивался, в асутп нефтяных по питанию оч сильно загоняются
Н Е К И Б Е Р Л Е О
они - да
romanetz
Ну так им есть повод: полтонны нефти в секунду...
Н Е К И Б Е Р Л Е О
romanetz
они - да
Два ввода, дэс, бесперебойник
romanetz
Про то, что подстанция своя - вообще молчу ) как правило, наоборот, от нефтяников отводы идут на посёлок. Короче, всё оч серьёзно
romanetz
У них эти модели с преобразованием ШИМ на низком напряжении, потом огромный транс
Н Е К И Б Е Р Л Е О
кароче... hp заботится о данных и не стартует полностью бп..если видит не синус
Н Е К И Б Е Р Л Е О
сурт как раз указал в максимальных рекомедашках
Н Е К И Б Е Р Л Е О
romanetz
Короче, выкидывай из башки рекламную хуету )
Н Е К И Б Е Р Л Е О
romanetz
вот расскажи как они синус чистый делают?
ШИМ транзисторами нарезают с заполнением по закону синусоиды
romanetz
Реклама чего?
Ну не EATON же и не SE )
romanetz
Онлайн упсы на много киловатт - там другие бренды )
Текст голосового сообщения:
От Н Е К И Б Е Р Л Е О : Не распознано
romanetz
вот расскажи как они синус чистый делают?
Два подхода сейчас используют. Сначала напряжение от батарей до высокой постоянки разогнать, потом нарезАть мостом ШИМ
romanetz
Второй - у APC - нарезать синус мостом на низком напряжении, потом его на НЧ транс подавать
romanetz
А есть с синусом недорогие )
romanetz
Они по первой технологии сделаны
Н Е К И Б Е Р Л Е О
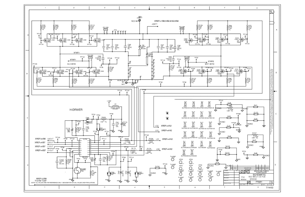
типа вот эта часть?
romanetz
Не
Н Е К И Б Е Р Л Е О
а вроде ac-out написано
romanetz
Это мелкий транс для запитки и контроля фазы напряжения в сети
romanetz
а вроде ac-out написано
И предохранитель на 1 ампер по 220, ага
Н Е К И Б Е Р Л Е О
мляя
Н Е К И Б Е Р Л Е О
Н Е К И Б Е Р Л Е О
Н Е К И Б Е Р Л Е О
Н Е К И Б Е Р Л Е О
Н Е К И Б Е Р Л Е О
Н Е К И Б Е Р Л Е О
UPS APC SUA3000RMI2U https://www.qsl.net/yo4hfu/UPS.html
Н Е К И Б Е Р Л Е О
sua3000
Н Е К И Б Е Р Л Е О
https://lantorg.com/article/ibp-s-pravilnoj-chistoj-sinusoidoj-dlya-kotlov-i-ne-tolko
Dmitry
Доброго времени суток. Вопрос Есть esp32. Иногда при запуске зависает, в уарт летит какой то мусор раз в несколько секунд. Скорость подобрать не смог. (То что выдаёт при перезагрузке вижу на скорости 115200) пробовал остальные скорости подобрать не смог. То ли действительно там просто мусор. Опытным путем понял что изменение параметра flash frequency на 40 МГц даёт результат. Оно так же подвисает, НО при зависании сама перезагружается и так как эти зависания не слишком частые то начинает работать при 80 МГц зависает наглухо. Куда копать, может было у кого что подобное?
Евгений
У них эти модели с преобразованием ШИМ на низком напряжении, потом огромный транс
У нас такой в аппаратной стоит 40 кВт выдаёт. Постоянное преобразование, аппаратик 30 кВт держит 20-30 минут. От свежести АКБ зависит 😊
romanetz
40 кВт вряд ли с нч трансом
romanetz
Там блочками мощность набирается?
romanetz
74800
romanetz
Для небольших серверных ставлю surt2000
Тут всё очень зависит от "надо безопасно сохранить и вырубиться" или "работаем до наступления ядерной войны"
romanetz
(а к ДЭСке - цистерны с соляркой, штук несколько) )))
romanetz
Сервера - это, скорее, про первое, а АСУТП - скорее, про второе
romanetz
Смешно будет иметь охуенно резервированную серверную и интернет, который от любого чиха ложится - потому что SOHO пров конечно же свой шкаф в подъезде не резервирует
Andy
не по адресу :(
Dmitry
Начать с питания как всегда :) Если опыта нет, то питать от свежих батареек. Если не помогает, то понизить скорость обмена с flash:
Как правильно питание проверить? Пробовал осцилографом на входе в esp, там без посадок 3.3 чётко. Этого достаточно?
Dmitry
другая плата есть?) и другой провод ?
Плата сама esp wroom есть, она модулем впаиваеться в плату. Провод прошивальщика?
Н Е К И Б Е Р Л Е О
Н Е К И Б Е Р Л Е О
будем считать, что достаточно.
)) кек цепляем геркон на пин на котором флешка висит... и хобббааа)) не достаточно
Н Е К И Б Е Р Л Е О
esp32 wroom полная плата... помоему 12-14 пин где то там.. ловил этот щит
Dim
коллеги как согласовать 3.3 в uart с 5в max232?
Dmitry
дублю врума есть ? дубль usb для врума есть?
Не очень понял 🙈, переведите😂
Dmitry
Все равно не пойму вопроса Контакты на flash не испольвал. За них в курсе
Текст голосового сообщения:
От Н Е К И Б Е Р Л Е О : целиком есть возможность заменить систему типа и плату и провод отключен
Andy
коллеги как согласовать 3.3 в uart с 5в max232?
http://we.easyelectronics.ru/Shematech/soglasovanie-logicheskih-urovney-5v-i-33v-ustroystv.html
Dim
тока нормального не даст