Serg
Это ребус, или голосовалка? )
Andrew
Andrew
Привет Где тут ESP-01? а где ESP-01S китаец прислал все в куче((
Запусти софт и посмотри что высрет модуль в UART
Святослав
Запусти софт и посмотри что высрет модуль в UART
ухты он срать умеет? типа хуизху? )))
Святослав
Это ребус, или голосовалка? )
не настала моя очередь задасться чем они отличаются все таки
Andre
Привет Где тут ESP-01? а где ESP-01S китаец прислал все в куче((
ESP-01 (blue PCB) vs ESP-01S (black PCB) - Red power LED vs -No- power LED - Blue LED on TX vs Blue LED on GPIO2 (low = on) откуда-то из интернета.
Святослав
спс
Andrew
ухты он срать умеет? типа хуизху? )))
Умеет, особенно если бодрейт не правильный поставишь)
Святослав
ок, спасибо
Dmitriy
Джентельмены, а кто-нибудь ESP-IDF на macos для VSCode ставил? Что может означать вот такая хрень? «Не удается записать в Параметры рабочей области, так как не открыта ни одна рабочая область. Откройте рабочую область и повторите попытку.»
SetPf
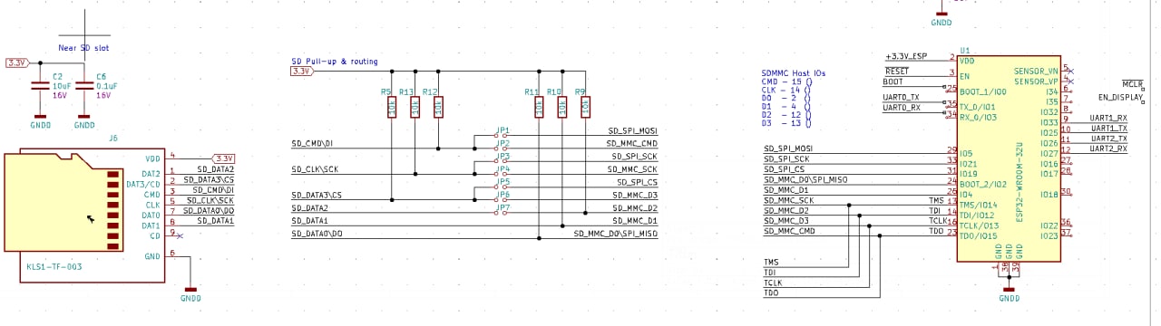
Здрасьте в продолжении истории со сраной SD картой и жтагом. Напомню проблема - хочется и сд карту быструю и жтаг. Короче я поразмыслив немножко, решил сделать следующим образом. Развести плату так, что можно solder jumper'ами замыкать контакты SD карты либо на SDMMC хост, либо на SPI, но освобождая контакты жтага. Да, отладить в режиме SDMMC жтагом не получится, но тут уж положусь на китайцев и в крайнем случае текстовый вывод. Вопрос - у меня глаз замылился. Может кто пробежаться по схеме, может че пропустил?
SetPf
Dmitriy
Ну предположу, что у вас открыты просто файлы, а не workspace (аналог проекта)
Это сообщение появляется когда esp-idf устанавливается. К проекту отношения не имеет.
SetPf
В VSCode есть понятие workspace, там сохраняются всякие локальные настройки.
SetPf
Вполне возможно что когда оно устанавливается на VSCode - ищет какой дефолтный воркспейс.
SetPf
В самой IDF нет такого термина вообще.
SetPf
я об это уебался - заказал 2 платы с расчетом что РЕМАПИТЬСЯ ВСЕ!11
SetPf
а оно чет оказалось нет.
SetPf
Еще в добавок и оба хоста уебански сидят - один на дефолтных пинах внутренней флешки, другой на жтаге.
Рамиль
Сделал на ESP 32 cam
Рамиль
Рамиль
Рамиль
Рамиль
Рамиль
Захар
А есп умеет делать ♐️cum♐️?
Захар
cam
webcam?
Рамиль
Да
Захар
Да
И че как скок платят?
Рамиль
webcam?
Вездеход с камерой
CRM
Вездеход с камерой
Парня занесло не в тот канал 😂
romanetz
Парня занесло не в тот канал 😂
17 лет, сделайте скидку человеку...😁😁
Dmitriy
Сделал на ESP 32 cam
А траки и ролики сам печатал?
Anton
Прикольно. А что умеет?
Null
https://habr.com/ru/post/565544/
romanetz
https://habr.com/ru/post/565544/
суровые пацаны дебажат в эклипсе )) https://docs.espressif.com/projects/esp-idf/en/latest/esp32/api-guides/jtag-debugging/index.html
romanetz
https://docs.espressif.com/projects/esp-idf/en/latest/esp32/api-guides/jtag-debugging/using-debugger.html
romanetz
ещё и вот так https://mcuoneclipse.com/2019/09/22/eclipse-jtag-debugging-the-esp32-with-a-segger-j-link/
Andy
https://habr.com/ru/post/565544/
читать лень, это очередной пересказ документации?
romanetz
Ну только под vs code
romanetz
С предложением поставить крякнутый visualgdb
SetPf
он слишком пробаженный для 15к
SetPf
да за 15к еще и без юнит тестов версия вроде
SetPf
а вообще там триал 30 дней вроде, так что можно же, не?
romanetz
Хз, а чем эклипс не вкатывает?
romanetz
Я как-то, помню, дебаг в платформио настраивал, но скорость работы этой связки очень-очень не очень
romanetz
Чтобы дебажить ардуинистый проект
Dr Zlo
да за 15к еще и без юнит тестов версия вроде
а еще тут все же такие TDD исповедуют, да чтобы coverage прям в ide оборажался и глаза мозолил
romanetz
Упёрлось всё, в итоге, что в есп по сети может четыре метра прилететь, а ей это девать некуда
romanetz
А "есп на стероидах" нету (
romanetz
Чтобы к ней dram какая-нибудь дешманская на 256МБ подключалась
Dr Zlo
как раз на 4 метра
romanetz
Да хз, ну там единственный варик, по qspi
romanetz
И чуть ли не один-два вендора такой памяти
Dr Zlo
но вообще если появилась задача парсить пакеты в 4 мб на esp - что-то пошло сильно не туда
romanetz
Экраничик для mpd хотели замутить на еинках
Dmitriy
Вполне возможно что когда оно устанавливается на VSCode - ищет какой дефолтный воркспейс.
Спасибо. Действительно, нужно создать workspace в VSCOde перед установкой esp-idf. Причем, esp-idf его может и не использовать совсем.
romanetz
но вообще если появилась задача парсить пакеты в 4 мб на esp - что-то пошло сильно не туда
А плейлист если под тыщу песен - что нынче легко - вот и приплыли
romanetz
Akai это что?
Dr Zlo
Akai это что?
Akai mpd 32. Но я уже понял что не о том вопрос.
romanetz
mpd, линуксовый плеер с управлением по сети
Dr Zlo
А плейлист если под тыщу песен - что нынче легко - вот и приплыли
Ну как я и говорил, что-то пошло не так. А именно планирование архитектуры.
romanetz
Ну там условно +косарь сверху - уже всякие фруктовые SBC проходят
romanetz
Апельсина, малина, банана, нанопи... Ведроиды младшие
Рамиль
Парня занесло не в тот канал 😂
Почему не тот, тут же по esp32
Рамиль
А траки и ролики сам печатал?
Да, вся гусеница напечатанна
Рамиль
Прикольно. А что умеет?
Ездить) и показывать все что видит на камеру, управляется по веб интерфейсу
🤙🏻 ℙ𝔸𝕍𝔼𝕃
Да, вся гусеница напечатанна
Что за тип принтера?