M
получилось, залил через тоталкоммандировский фтп клиент
Dmitry
Друзья, а кто знаком/сталкивался/интересовался решением Cisco Identity Services Engine?
Dmitry
В личку стукните пожалуйста
Anonymous
парни првет, а не подскажите как удалить правила в USG
Anonymous
show schedule-run -куча правил накидано, какой командлет идет на удаление этих правил?
Anonymous
а все, разобрался, спасибо
Evgeny
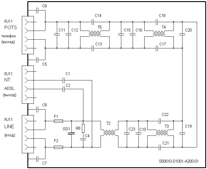
Коллеги, добрый день! Есть сплиттеры AS6AB. Отправляем их в другой город для ADSL. Как можно проверить, что они рабочие? ADSL-линий здесь в офисе нет уже. Это вообще реально? Уровень навыка работы с мультиметром - новичок
Dmitry
Dmitry
судя по схеме мультиметром можно проверить только предохранители. один из средних контактов на входе должен иметь небольшое сопротивление с олним из средних контактов выхода на телефон. аналогично второй контак тоже. больше без генератора ЗЧ или измерителя емкости ничего не увидишь
Dmitry
в ZyXEL AS 6 EE схема проще. там нет развязки для модема. центральные контакты все должны звониться
Dmitry
Dmitry
Добрый день Ребят, скажите, это всё, окончательно помер zywall?
Dmitry
onatoli4
не похоже, попробуй аппаратно перезагрузить, если ошибка останется, через консоль перепрошить
Floki
вот через консольный вероятно его можно будет перезагрузить
Floki
или хардресет и восстановить конфиг
Floki
у меня так получалось
Floki
с тех пор консольный всегда подключен -)
Dmitry
Очень боюсь, что старая 20ка не выдержит всего этого. А вот в вики потёрли восстановление прошивки, теперь сложно там найти статью, благо ещё остались старые кеш-страницы в гугл. Надо ехать на офис и настраивать.
Anonymous
https://mysupport.zyxel.com/hc/en-us/articles/360008504319--ZyWALL-USG-Firmware-Upgrade-Procedure
Dmitry
да там просто же, можно даже через usb прошить
я восстанавливал как-то ядро в 100й версии, очень помогает часто... тут скорее всего поможет тоже
Anonymous
да там в плоть до 2C0.ri шьется
Anonymous
можно через Tera Term его прошить
Null
Сегодня вебинар. Сеть Без Опасности Какие средства предлагает Zyxel для построения кибербезопасной сети, для повышения безопасности существующей инфраструктуры, для удаленной работы и эффективного управления всем этим хозяйством. На вебинаре пройдет розыгрыш приза для всех участников – надежный, функциональный рюкзак. Мы поговорим о: • Шлюзы безопасности серии ATP с песочницей • Удаленная работа и серия шлюзов VPN • Новинка: производительная универсальная серия USG FLEX • Сервис мониторинга безопасности сети Secureporter Когда: • Дата: 26 августа 2020 года • Время: 15:00 - 16:00, MSK Регистрация
M
Коллеги, столкнулся с такой проблемой, nxc2500 - не могу подключить его к интернету. Если делаю визард подключается, а когда делаю вручную - нет
M
Делаю те же настройки, но в polisy route snat показывает none
M
Нашел в базе знаний
Alex
Добрый день! Что могут означать такие стоки в логе? Периодически клиентов отпинывает от точек доступа.
Alex
Andrew
Ребят. А кто как в сети предприятия использует Zyxel на границе сети? Ну обычно на краю ставится серия USG или ATP из нового. Flex вот появилась. Все есть внутри. И контент защита и антивирус и IDP/IPS и VPN для объединения офисов и удаленного доступа. А VPN серия Zyxel как использовать? Ведь в ней защит практически нет никаких.
Дмитрий
Мне кажется что линейка впн это больше для филиалов а там можно сделать чтоб трафик шел через usg или atp
Const
Мне кажется что линейка впн это больше для филиалов а там можно сделать чтоб трафик шел через usg или atp
КМК, если не совсем заморачиваться секурностью, вреда и минусов больше, чем пользы и плюсов
Const
Ребят. А кто как в сети предприятия использует Zyxel на границе сети? Ну обычно на краю ставится серия USG или ATP из нового. Flex вот появилась. Все есть внутри. И контент защита и антивирус и IDP/IPS и VPN для объединения офисов и удаленного доступа. А VPN серия Zyxel как использовать? Ведь в ней защит практически нет никаких.
я буду только рад ошибаться и ошибиться, но обычно аппаратные решения "Все есть внутри" кастрированы либо сильно дороже. И пределов этому нет. От 1 млн рублей до 1 млн $ >А VPN серия Zyxel как использовать? это всего лишь аппаратный мост-шлюз сетей, IMHO
Andrew
Т.е. ставить VPN устройства на границе сети рядом с основным кластером устройств серии, так скажем, объединённых одним модным названием NGFW, и маршрутизировать сети филиалов, центра, Амазон dc и ему подобных, для разгрузки основных устройств для выхода в интернет. Но и тут бы не помешал функционал антивируса, ips. А там почему то только content filtering, который по логике там не нужен. Не могу этого понять. :)
Const
Я в антивирусы не очень верю. После того, как дрвеб лично пинал, чтобы добавили запись в базы. Они добавили, спустя 2 или 3 суток. Лицензионный же каспер совершенно флегматично и равнодушно отнёсся к шифровальщику. Повышенная активность? Да и пох! А в России больше ничего и нет из актуального
Yura
Я на span-порт обычно вешаю сенсор какой-нито :)
Anonymous
Я на span-порт обычно вешаю сенсор какой-нито :)
Добрый день. А можно чуть подробнее
Yura
Самый простой и самый популярный способ — анализ копии трафика. Сенсор подключается к SPAN-порту коммутатора, который зеркалирует интересующий трафик. Как правило анализируется трафик между коммутатором и шлюзом
Const
Самый простой и самый популярный способ — анализ копии трафика. Сенсор подключается к SPAN-порту коммутатора, который зеркалирует интересующий трафик. Как правило анализируется трафик между коммутатором и шлюзом
и что оно даёт? Кроме констатации, постфактум. Это как вместо бронежилета защищаться телекамерой, при том, что и броник - средство последнего рубежа
Yura
Прогноз на сверхурочные работы :)
Anonymous
Спс
Alex
Добрый день! Рассматриваю покупку ATP200 или USG210. Шлюз планируется на замену USG60 в одном из офисов, т.к. пользователей стало больше и он не справляется по производительности. Насколько я изучил спецификации, они сходны по производительности, основные отличия только по наличию песочницы в ATP. Я прав?
Дмитрий
Добрый день
Дмитрий
Дмитрий
Вот такой
Дмитрий
Раз в месяц
Дмитрий
Гдето скидывается
Дмитрий
На стандартные
Дмитрий
Настройки
Дмитрий
А притом что у него стандарт ip 192.168.1.1
Дмитрий
Начинаютс траблв с роутером
Denis
вместо USG лучше рассмотреть USG FLEX (новые)
Denis
IP reputation (так в GUI) = Botnet filter
Alex
Начинаютс траблв с роутером
Настройки сохраняете после изменения?
Const
Гдето скидывается
прошивка стабильно-свежая?
onatoli4
Начинаютс траблв с роутером
лучше в техподдержку написать
Дмитрий
Да прошивка последняя
Denis
отличия в NEBULA?
да, Nebula - основное, но поддержку обещают в Q1-20 USG FLEX - более новые, т.е. будут жить и поддерживаться дольше, дольше будут доступны подписки
Дмитрий
каким образом?
Комфликт ip
Дмитрий
И соответтвенно сеть отпадает на компах и вайфай точках
Дмитрий
То есть то нет
Дмитрий
Как я понимаю после перезагрузки он скрдывает
Дмитрий
Дмитрий
После всех изменений?
Alex
верно
Дмитрий
верно
Может кстати и нет
Дмитрий
Попробую сейчас
Дмитрий
Спасибо
Дмитрий
Думал apply достаточно
Дмитрий
Alex
Думал apply достаточно
Не, APPLY применяет настройки "прямо сейчас", и если что-то пошло не так, то можно всегда перезагрузить оборудование